



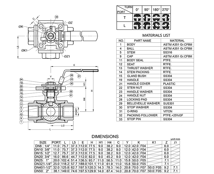
BVRB-3DT 3 Way Ball Valve
SPECIFICATIONS
* Working Pressure: 1/4”~2”1000PSI WOG
* Temperature Range: -20~180℃
* Blow-Out-Proof Stem Design
* Antistatic Device
* Investment Casting
* Solution Treatment
* End Types: Female Threaded
* Four Seats
* ISO5211 Direct-Mounting of Actuators of Valves Design
* Locking Device (option)
* Reduced Bore

|